廠家熱線:13803887028
售后熱線:0379-64327397

瀏覽次數:5907次
所屬分類:傳動系統試驗臺
提供被測試液力變矩器的工作動力,同時將加載電力測功機產生的能量以電能形式反饋至變矩器拖動,減小試驗過程電能的實際消耗,節約能源
發布日期:2022-06-28 16:43:06
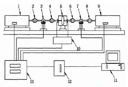
液力變矩器性能試驗臺
(1)驅動交流電力測功機 (2)彈性聯軸器 (3)驅動轉速轉矩傳感器 (4)彈性聯軸器
(5)被試液力變矩器 (6)彈性聯軸器 (7)加載轉速轉矩傳感器 (8)彈性聯軸器
(9)加載交流電力測功機 (10)油路控制及溫控裝置 (11)工業計算機及軟件系統
(12)數據采集系統及臥式操作臺 (13)測功機變頻控制器及試驗臺邏輯控制器
液力變矩器性能試驗臺具備以下功能:
1) 提供被測試液力變矩器的工作動力,同時將加載電力測功機產生的能量以電能形式反饋至變矩器拖動,減小試驗過程電能的實際消耗,節約能源;
2) 向被測試液力變矩器施加預設值的機械扭矩和功率;
3) 對被測試液力變矩器的性能參數進行數據采集、記錄及分析處理;
4) 試驗臺采用交流變頻加載方式,加載電力測功機正反兩個方向功能相同并具有相同的性能和精度;
5) 系統具有過載、短路、過電壓、欠電壓、超溫、缺相等保護功能;
6) 能按照不同試件所需的參數顯示、儲存、打印、繪制各種量之間的曲線;
7) 可進行液力變矩器空載功率損失試驗、傳動率試驗、牽引工況性能試驗、零速工況性能試驗、 匹配牽引性能試驗、滑行性能試驗、反傳工況性能試驗、反轉工況性能試驗、可靠性及耐久性試驗、動態性能測試、過載能力測試等系列變矩器性能試驗;
8) 試驗過程中對試驗設備實行實時監控,當出現不正常情況,能自動執行相應的安處理措施,以保證人員和設備的安。
試驗臺參數指標:
|
序號 |
參數名稱 |
值 |
精度 |
數量 |
數據來源 |
|
1 |
輸入轉速 |
3000r/min |
±5r/min |
1 |
轉速傳感器 |
|
2 |
輸入轉矩 |
5000Nm |
±0.5%F.S. |
1 |
轉矩傳感器 |
|
3 |
輸出轉速 |
3550r/min |
±5r/min |
1 |
轉速傳感器 |
|
4 |
輸出轉矩 |
10000 Nm |
±0.5%F.S. |
1 |
轉矩傳感器 |
|
5 |
補償油入口壓力 |
1MPa |
±1.5%F.S. |
1 |
壓力傳感器 |
|
6 |
補償油出口壓力 |
1MPa |
±1.5%F.S. |
1 |
壓力傳感器 |
|
7 |
補償油入口油溫 |
150℃ |
±1.5%F.S. |
1 |
溫度傳感器 |
|
8 |
補償油出口油溫 |
150℃ |
±1.5%F.S. |
1 |
溫度傳感器 |
|
9 |
補償油入口流量 |
150l/min |
±1.5%F.S. |
1 |
流量傳感器 |
|
10 |
泵站油箱油溫 |
150℃ |
±1.5%F.S. |
1 |
溫度傳感器 |
|
11 |
閉鎖離合器控制油壓 |
2.5 MPa |
±1.5%F.S. |
1 |
壓力傳感器 |
服務宗旨:“以質量求生存,以服務贏市場”,如果您對我們的產品感興趣,歡迎咨詢!
*請認真填寫需求信息,我們會在24小時內與您聯系
聯系人:張經理 潘經理
手機:13803887028 13938842660
公司地址:河南省洛陽市高新區軸承產業集聚區
郵箱:henengdq@126.com
全國咨詢熱線
13803887028 0379-64327397